Cellular communications continue to drive global network development, with ongoing expansion of 5G coverage and R&D progress toward 6G standards. According to 3GPP, 5G includes FR1 and FR2, while FR3 is under planning to cover the largely untapped mid- to upper-mid band, which is also a strong candidate for future 6G networks.
To support these evolving requirements, WELZEK's wireless testers—specifically the T6290E/T6290F, in combination with mUDC—cover FR1, FR2, and FR3, enabling RF testing for today’s 5G and tomorrow’s 6G technologies.
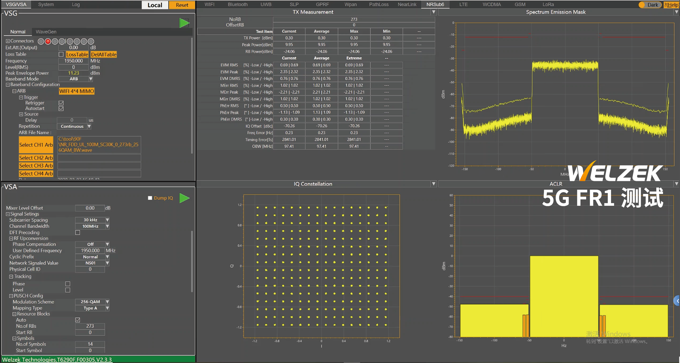
FR1(Sub-6GHz)
FR1 operates from 410 MHz to 7125 MHz, also known as the sub‑6 GHz band. It is the primary spectrum for current 5G, serving as the coverage layer. The maximum supported bandwidth is 100 MHz. In China, FR1 is widely used for base station deployment, with frequencies below 3 GHz also carrying existing 2G, 3G, and 4G traffic.
Key characteristics:
Lower frequency, strong diffraction
Better propagation characteristics
Wide area coverage
Building penetration capability
Key Frequency Bands:
Band | Frequency | Duplex | Region |
n1 | 2110-2170 MHz | FDD | Global |
n3 | 1805-1880 MHz | FDD | Global |
n7 | 2620-2690 MHz | FDD | Global |
n28 | 758-803 MHz | FDD | APAC |
n78 | 3300-3800 MHz | TDD | Global |
n79 | 4400-5000 MHz | TDD | CHINA |
FR2(mmWave)
FR2 operates from 24.25 GHz to 71 GHz, commonly referred to as the millimeter wave (mmWave) band. It serves primarily as a capacity supplement, supporting a maximum bandwidth of 400 MHz. Typical use cases include live streaming, high-speed mobile broadband, and ultra-high-speed access in hotspots such as shopping malls.
Key characteristics::
Extremely high data rate
Very wide bandwidth
Clean spectrum with low interference
Requires beamforming support
关键频段:
Band | Frequency | Duplex | Region |
n257 | 26.5-29.5 GHz | TDD | Global |
n258 | 24.25-27.5 GHz | TDD | US |
n260 | 37-40 GHz | TDD | US |
n261 | 27.5-28.35 GHz | TDD | Global |
FR3(上中频段)
FR3的频率范围是7.125GHz-24.25GHz,略低于毫米波频率(30GHz至300GHz),补充了5G网络中FR1和FR2之间的频段,FR3在未来将扩大5G和6G可使用的频段。
FR3频段由于介于FR1和FR2之间,FR3兼顾了大带宽、高传输速度、低时延等特点,这使得FR3在支持物联网(IOT)发挥重要作用,能高效满足物联网设备的海量链接需求,为智慧城市及互联系统的发展提供助力。
Key characteristics:
High data rate
Enhanced network capacity
Low latency
Supports massive IoT connectivity

mUDC&T6290E

In RF testing for 5G-to-6G evolution, the FR1, FR2, and FR3 bands span an extremely wide frequency range, imposing higher demands on test equipment in terms of coverage, compatibility, and accuracy—making it a key challenge for supporting multi‑generation cellular testing.
To address this challenge, the WELZEK T6290 series wireless tester with mUDC directly covers 5G/6G FR1, FR2, and FR3 band testing. Leveraging wide frequency coverage and stable performance, it reliably solves multi-band testing challenges.
After the official release of FR3, WELZEK will launch corresponding solutions. Continuous coverage of FR1, FR2, and FR3 protects hardware investment. The WELZEK wireless tester also supports software upgrades to quickly adapt to evolving communication technologies, helping users stay current and supporting industry development.